website(1,) Mid Profile External Corner Joint for True Handleless - Bronze Anodised

40% OFF All Kitchens + 10% EXTRA XMAS DISCOUNT until 4th January 2026

Gola Stock - Mid Profile External Corner Joint for True Handleless - Anthracite - Qty 12

WAS  £ 1.00
£ 0.60  Ex VAT
0.6 GBP Small Item G21-C12.

Availability: In Stock with Manufacturer

Terms and Conditions
30-day money-back guarantee
Shipping: 2-3 Business Days

Item Detail

Mid Profile External Corner Joint for True Handleless

Essential for Seamless External Corner Connections

The Mid Profile External Corner Joint is designed to connect two mid profiles at an external corner or around an island unit, ensuring a continuous and seamless handleless design. It is an essential component when installing a True Handleless kitchen, working alongside external corner posts to maintain a clean and modern finish.

Aluminium, Anthracite, Brushed Silver, Brushed Brass, Brushed Copper, Brushed Black, and Brushed Bronze to match your chosen handleless profiles.

Key Features

  • Connects mid profiles at external corners – Required for island units and corner cabinetry
  • Creates a seamless handleless transition – Essential for a professionally finished kitchen
  • Durable aluminium construction – Strong, lightweight, and corrosion-resistant
  • Available in multiple finishes – Matches all True Handleless mid profiles

Technical Details

  • Application: Connects mid profiles at external corners
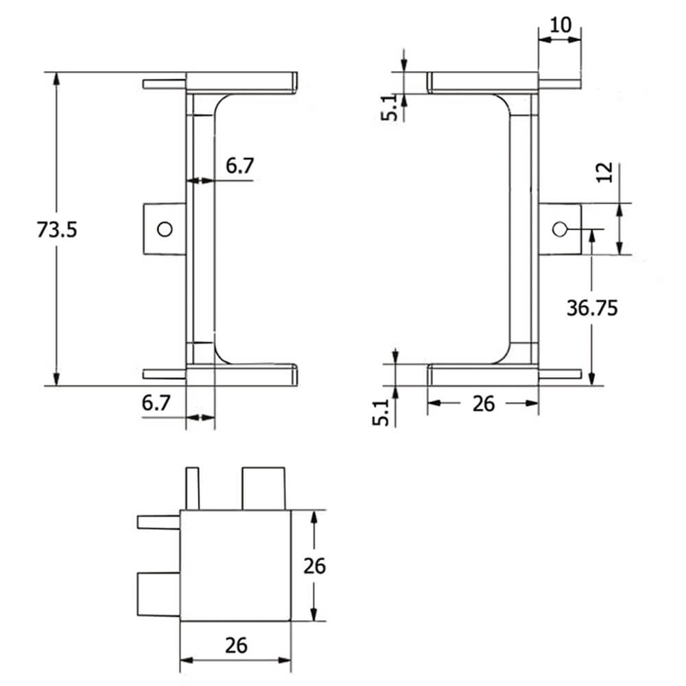
  • Height: 73.5mm
  • Depth: 26mm
  • Width: 26mm
  • Material: Aluminium
  • Finishes Available: Aluminium, Anthracite, Brushed Silver, Brushed Brass, Brushed Copper, Brushed Black, Brushed Bronze

An essential part of a True Handleless kitchen, the Mid Profile External Corner Joint ensures a flawless and continuous look, keeping your kitchen design sleek and uninterrupted.

Small items are delivered in the post.
None available